Освітлювальна система із живленням постійним струмом

Вантажиться...
Ескіз

Дата

2025

Назва журналу

Номер ISSN

Назва тому

Видавець

КПІ ім. Ігоря Сікорського

Анотація

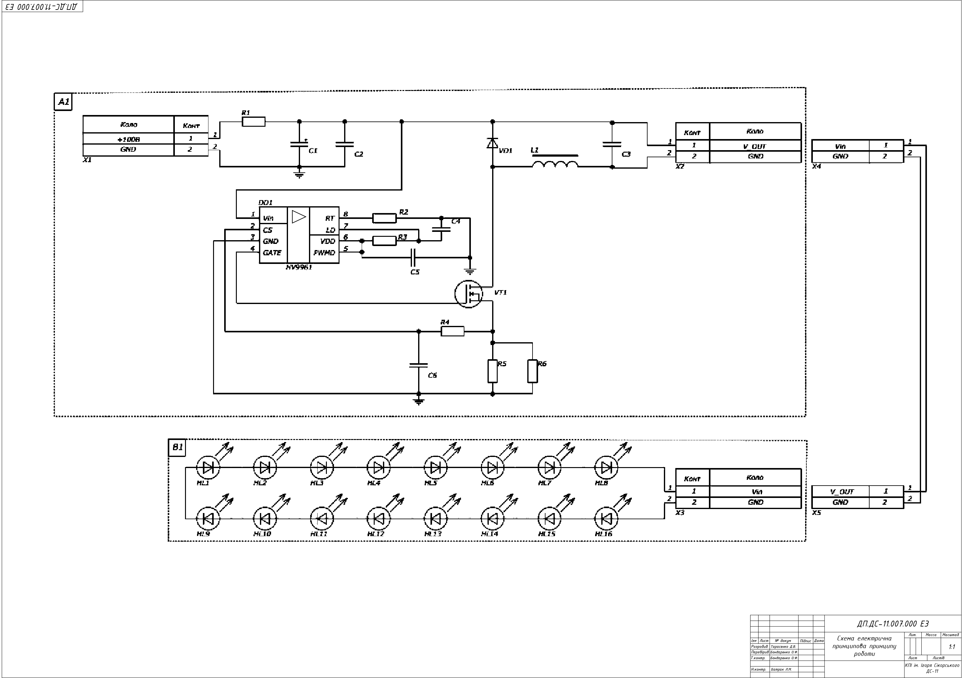
Дипломний проєкт присвячений удосконаленню освітлювальної системи з живленням постійним струмом, що використовується у швидкісному залізничному транспорті. Актуальність теми обумовлена необхідністю підвищення надійності та енергоефективності систем освітлення в умовах обмеженого простору, вібрацій та нестабільного електроживлення. Метою проєкту є проєктування та розрахунок покращеної LED-системи освітлення на базі драйвера HV9961 з урахуванням оптимізації роботи силових елементів схеми. У межах роботи були поставлені такі завдання: 1) провести аналіз сучасних DC-систем освітлення та їх драйверів; 2) побудувати структурну та принципову електричну схему вдосконаленого пристрою; 3) виконати розрахунок елементної бази згідно вимог до стабільності струму; 4) реалізувати модель друкованої плати у відповідності до геометричних обмежень; 5) обґрунтувати вибір компонентів з позицій технічної доцільності. У роботі здійснено техніко-функціональний аналіз типових рішень для живлення світлодіодів постійним струмом, досліджено переваги імпульсних драйверів із керуванням за середнім струмом. Розраховано ключових елементів: індуктивності, фільтрів, силового ключа, діода та токозадаючого резистора. Змодельовано роботу пристрою на базі мікросхеми HV9961. Розробка може бути впроваджена в освітлення залізничного, медичного, автономного транспорту та інших систем із живленням постійним струмом.

Опис

Ключові слова

світлодіод, постійний струм, драйвер HV9961, фільтр, перетворювач, енергоефективність, LED, DC power, HV9961 driver, filter, converter, efficiency

Бібліографічний опис

Тарасенко, Д. В. Освітлювальна система із живленням постійним струмом : дипломний проєкт ... бакалавра : 171 Електроніка / Тарасенко Дмитро Володимирович. – Київ, 2025. – 70 с.

ORCID

DOI