Драйвер безколекторного двигуна постійного струму

Вантажиться...
Ескіз

Дата

2025

Назва журналу

Номер ISSN

Назва тому

Видавець

КПІ ім. Ігоря Сікорського

Анотація

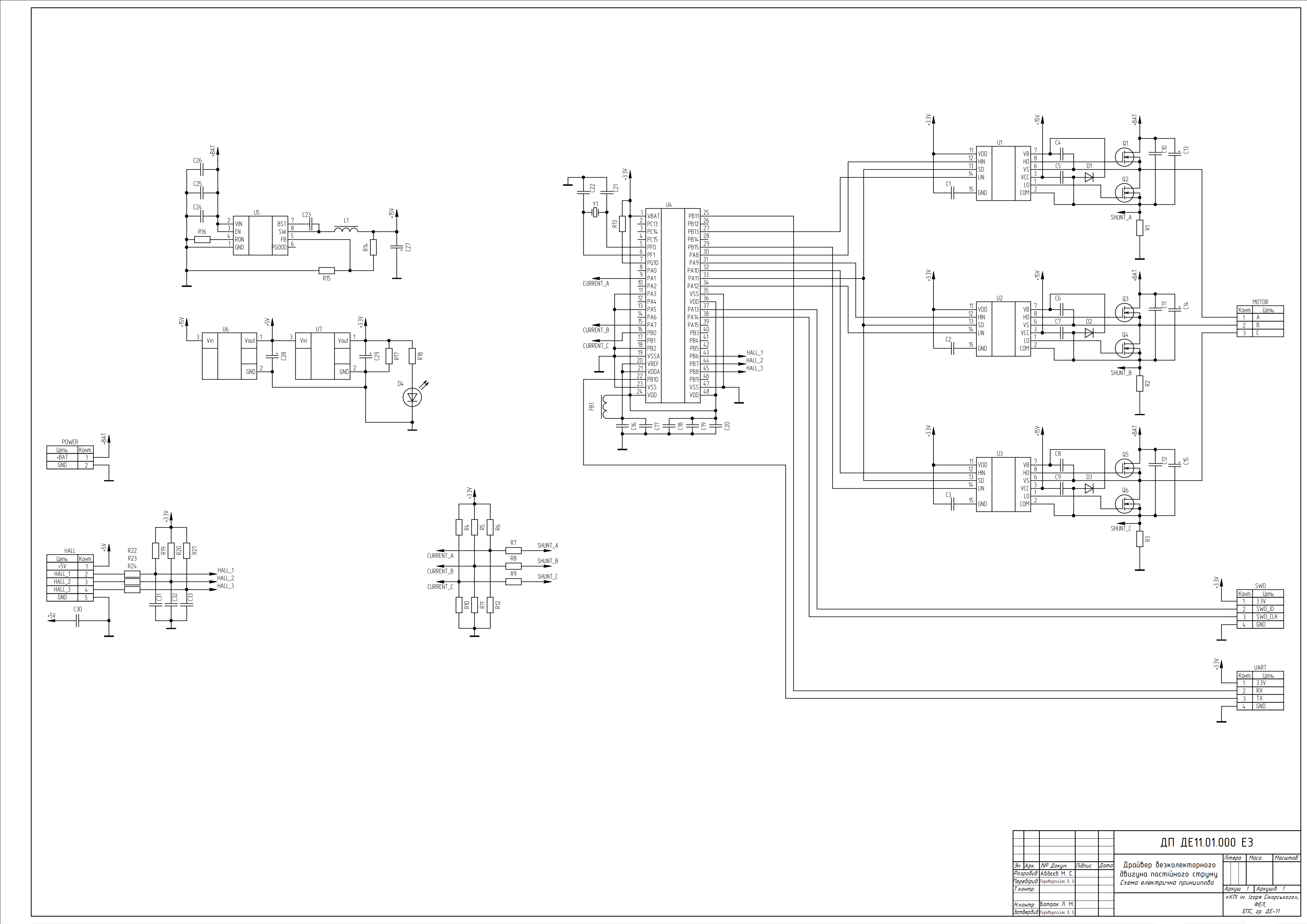
Даний дипломний проект присвячений розробці драйвера безколекторного двигуна постійного струму (BLDC). Актуальність теми обумовлена зростаючим попитом на високоефективні та компактні системи керування двигунами в сучасному електротранспорті, автоматиці та робототехніці, де енергоефективність, точність та надійність є критично важливими. Метою даного проекту є розробка та реалізація системи для точного та ефективного керування трифазним BLDC двигуном з використанням сучасних електронних компонентів та цифрових алгоритмів. Для досягнення цієї мети були поставлені наступні завдання: – проаналізувати існуючі рішення драйверів та методи керування; – розробити принципову схему та обрати електронну компонентну базу; – реалізувати програмне забезпечення для керування двигуном. В ході роботи було проведено аналіз існуючих рішень в області керування двигунами та силової електроніки, а також розроблено повноцінну систему керування. Особливу увагу було приділено схемотехніці, вибору драйверів транзисторів та мікроконтролера (STM32), реалізації польово-орієнтованого керування (FOC). В даному проекті було реалізовано драйвер двигуна BLDC за допомогою мікроконтролера STM32G431, драйверів транзисторів IR2010S, імпульсного регулятора LM5164 для системи живлення, а також розроблено програмний проєкт в STM32 Motor Control Workbench. Результати роботи можуть бути використані в електротранспорті, системах автоматизації, дронах та інших проєктах, пов'язаних з керуванням двигунами.

Опис

Ключові слова

електроніка, двигун BLDC, драйвер, FOC, STM32, мікроконтролер, інвертор, electronics, BLDC motor, driver, microcontroller, inverter

Бібліографічний опис

Авдєєв, М. С. Драйвер безколекторного двигуна постійного струму : дипломний проєкт … бакалавра : 171 Електроніка / Авдєєв Максим Сергійович. – Київ, 2025. – 62 с.

ORCID

DOI